| Element | Description | Quantity | Standard Material | CNI® Material |
|---|---|---|---|---|
| 1 | Body | 1 | Aluminum, Anodized | Aluminum, CNI® treated |
| 2 | Driveshaft | 1 | Steel, Zinkplated | Steel, Nickelplated + Teflon |
| 3 | Piston | 2 | Aluminum | Aluminum, Anodized |
| 4 | Endcap | 1 | Aluminum, Polyester Coated | Aluminum, CNI® treated |
| 4a | Endcap with stop adjustment | 1 | Aluminum, Polyester Coated | Aluminum, CNI® treated |
| 5 | Spring | Max 12 | SiCr | SiCr |
| 6 | Endcap Bolt | 8 | Stainless Steel | Stainless Steel |
| 7 | Stop Adjustment Screw | 1 | Stainless Steel | Stainless Steel |
| 8 | Stop Adjustment Nut | 1 | Stainless Steel | Stainless Steel |
| 9 | Stop Adjustment Washer | 1 | Stainless Steel | Stainless Steel |
| 10 | Stop Adjustment O-ring | 1 | NBR | NBR |
| 11 | Endcap O-ring | 2 | NBR | NBR |
| 12 | Piston Back-up Bearing | 2 | POM | POM |
| 13 | Piston O-ring | 2 | NBR | NBR |
| 14 | Piston Wearpad | 2 | POM | POM |
| 15 | Driveshaft Washer | 1 | POM | POM |
| 16 | Driveshaft Circlip | 1 | Steel, Nickelplated | Steel, Nickelplated |
| 17 | Driveshaft Upper O-ring | 1 | NBR | NBR |
| 18 | Driveshaft Upper Bearing | 1 | POM | POM |
| 19 | Driveshaft Lower O-ring | 1 | NBR | NBR |
| 20 | Driveshaft Lower Bearing | 1 | POM | POM |
| 21 | Centralisation Ring | 1 | POM | POM |
| 22 | Position Indicator | 1 | POM | POM |
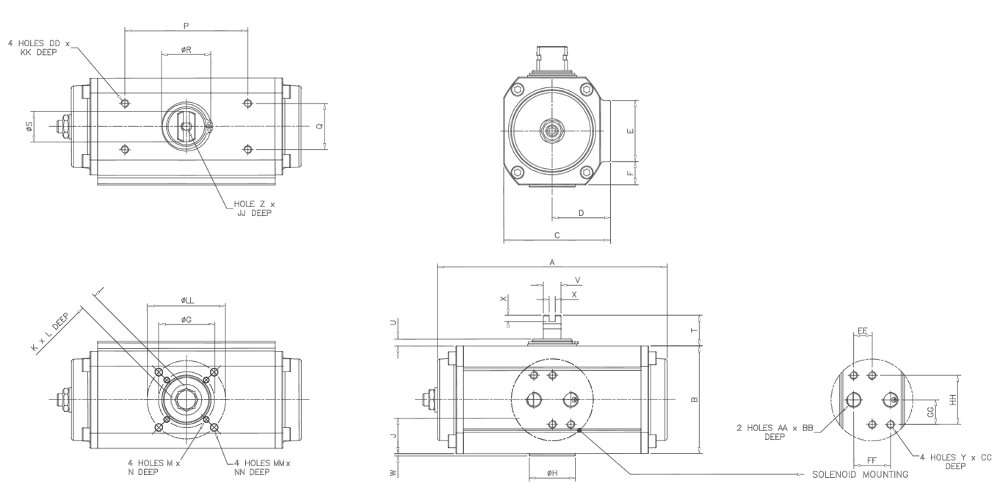
| Size (GAS) | ISO | A | B | C | D | E | ØG | ØH | J | K | L | M | N | P | Q | ØR | ØS | T | U | V | W | X | Y | Z | AA | BB | CC | DD | EE | FF | GG | HH | JJ | KK | Ø LL | MM | NN |
|---|---|---|---|---|---|---|---|---|---|---|---|---|---|---|---|---|---|---|---|---|---|---|---|---|---|---|---|---|---|---|---|---|---|---|---|---|---|
| 3 | F03-F05 | 149,5 | 70,0 | 69,5 | 38,0 | 49,0 | 36,0 | 25,0 | 23,0 | 9,0 | 11,0 | M5 | 8,0 | 80,0 | 30,0 | 32,0 | 20,0 | 20,0 | 4,5 | 11,5 | 1,5 | 4,0 | M5 | M6 | 1/8 | 10,0 | 8,0 | M5 | 12,0 | 24,0 | 16,0 | 32,0 | 12,0 | 8,0 | 50,0 | M6 | 10,0 |
| 3 | F04 | 149,5 | 70,0 | 69,5 | 38,0 | 49,0 | 42,0 | 30,0 | 23,0 | 11,0 | 11,0 | M5 | 8,0 | 80,0 | 30,0 | 32,0 | 20,0 | 20,0 | 4,5 | 11,5 | 1,5 | 4,0 | M5 | M6 | 1/8 | 10,0 | 8,0 | M5 | 12,0 | 24,0 | 16,0 | 32,0 | 12,0 | 8,0 | – | – | – |
| 5 | F05-F07 | 186,5 | 87,0 | 90,5 | 49,0 | 49,0 | 50,0 | 35,0 | 34,5 | 14,0 | 15,0 | M6 | 10,0 | 80,0 | 30,0 | 32,0 | 20,0 | 20,0 | 4,5 | 11,5 | 3,0 | 4,0 | M5 | M6 | 1/8 | 10,0 | 8,0 | M5 | 12,0 | 24,0 | 16,0 | 32,0 | 12,0 | 8,0 | 70,0 | M8 | 12,0 |
| 10 | F05-F07 | 206,0 | 118,0 | 113,0 | 59,0 | 43,0 | 50,0 | 35,0 | 29,5 | 14,0 | 19,0 | M6 | 10,0 | 80,0 | 30,0 | 32,0 | 20,0 | 20,0 | 4,5 | 11,5 | 2,9 | 4,0 | M5 | M6 | 1/8 | 10,0 | 8,0 | M5 | 12,0 | 24,0 | 16,0 | 32,0 | 12,0 | 8,0 | 70,0 | M8 | 13,0 |
| Size | ISO | A | B | C | D | E | ØG | ØH | J | K | L | M (UNC) | Ø LL | MM (UNC) | NN | ||||||||||||||||||||||
|---|---|---|---|---|---|---|---|---|---|---|---|---|---|---|---|---|---|---|---|---|---|---|---|---|---|---|---|---|---|---|---|---|---|---|---|---|---|
| N | P | Q | ØR | ØS | T | U | V | W | X | Y (UNF) |
Z | AA (NPT) |
BB | CC | DD (UNF) |
EE | FF | GG | HH | JJ | KK | ||||||||||||||||
| 3 | F03-F05 | 5,89 | 2,76 | 2,74 | 1,50 | 1,93 | 1,42 | 0,98 | 0,91 | 0,35 | 0,43 | 10-32 | 0,31 | 3,15 | 1,18 | 1,26 | 0,79 | 0,79 | 0,18 | 0,45 | 0,06 | 0,16 | 10-32 | M6 | 1/8 | 0,39 | 0,31 | 10-32 | 0,47 | 0,94 | 0,63 | 1,26 | 0,47 | 0,31 | 1,97 | M6 | 0,39 |
| 3 | F04 | 5,89 | 2,76 | 2,74 | 1,50 | 1,93 | 1,65 | 1,18 | 0,91 | 0,43 | 0,43 | 10-32 | 0,31 | 3,15 | 1,18 | 1,26 | 0,79 | 0,79 | 0,18 | 0,45 | 0,06 | 0,16 | 10-32 | M6 | 1/8 | 0,39 | 0,31 | 10-32 | 0,47 | 0,94 | 0,63 | 1,26 | 0,47 | 0,31 | – | – | – |
| 5 | F05-F07 | 7,34 | 3,43 | 3,56 | 1,93 | 1,93 | 1,97 | 1,38 | 1,36 | 0,55 | 0,59 | ¼-20 | 0,39 | 3,15 | 1,18 | 1,26 | 0,79 | 0,79 | 0,18 | 0,45 | 0,12 | 0,16 | 10-32 | M6 | 1/8 | 0,39 | 0,31 | 10-32 | 0,47 | 0,94 | 0,63 | 1,26 | 0,47 | 0,31 | 2,76 | M8 | 0,47 |
| 10 | F05-F07 | 8,11 | 4,65 | 4,45 | 2,32 | 1,69 | 1,97 | 1,38 | 1,16 | 0,55 | 0,75 | 1/4-20 | 0,39 | 3,15 | 1,18 | 1,26 | 0,79 | 0,79 | 0,18 | 0,45 | 0,11 | 0,16 | 10-32 | M6 | 1/8 | 0,39 | 0,31 | 10-32 | 0,47 | 0,94 | 0,63 | 1,26 | 0,47 | 0,31 | 2,76 | M8 | 0,51 |
| Label | Tongs N° | Air supply (bar) | |||||||||
|---|---|---|---|---|---|---|---|---|---|---|---|
| Spring torque | 4 | 5 | 5,5 | 6 | |||||||
| 0° | 90° | 0° | 90° | 0° | 90° | 0° | 90° | 0° | 90° | ||
| 3 | 8 | 5,4 | 10,5 | 10,4 | 5,3 | 11,8 | 7,9 | 16,4 | 11,2 | 18,3 | 13,2 |
| 10 | 6,7 | 13,1 | 9,1 | 2,7 | 13,1 | 6,7 | 15,0 | 8,6 | 17,0 | 10,6 | |
| 11 | 7,4 | 14,4 | 12,4 | 5,3 | 14,4 | 7,3 | 16,3 | 9,3 | |||
| 12 | 8,0 | 15,7 | 13,7 | 6,0 | 15,7 | 8,0 | |||||
| 5 | 8 | 12,0 | 21,8 | 21,8 | 12,0 | 30,3 | 20,5 | 34,5 | 24,7 | 38,7 | 28,9 |
| 10 | 15,0 | 27,2 | 18,8 | 6,6 | 27,3 | 15,1 | 31,5 | 19,3 | 35,7 | 23,5 | |
| 11 | 16,5 | 29,9 | 25,8 | 12,4 | 30,0 | 16,6 | 34,2 | 20,8 | |||
| 12 | 18,0 | 32,6 | 28,5 | 13,8 | 32,7 | 18,1 | |||||
| 10 | 8 | 26,7 | 41,0 | 40,9 | 26,6 | 57,8 | 43,5 | 66,2 | 52,0 | 74,7 | 60,4 |
| 10 | 33,4 | 21,2 | 34,2 | 24,6 | 51,1 | 33,3 | 59,6 | 41,8 | 68,0 | 50,2 | |
| 11 | 36,7 | 56,3 | 47,8 | 28,2 | 56,2 | 36,6 | 64,7 | 45,1 | |||
| 12 | 40,1 | 61,4 | 52,9 | 31,5 | 61,3 | 40,0 | |||||
| 2 | 4/0 | 4,8 | 8,8 | 8,8 | 4,9 | 12,3 | 8,3 | 14,0 | 10,0 | 15,7 | 11,7 |
| 4/2 | 6,1 | 11,0 | 7,6 | 2,7 | 11,0 | 6,1 | 12,8 | 7,8 | 14,5 | 9,5 | |
| 4/3 | 6,7 | 12,1 | 10,4 | 5,0 | 12,1 | 6,7 | 13,9 | 8,4 | |||
| 4/4 | 7,3 | 13,2 | 11,5 | 5,6 | 13,2 | 7,3 | 15,0 | 8,9 | |||
| 4 | 4/0 | 8,7 | 15,8 | 16,6 | 9,5 | 20,8 | 13,7 | 25,0 | 17,9 | 29,2 | 22,1 |
| 4/2 | 10,8 | 19,6 | 14,4 | 5,6 | 18,6 | 9,8 | 22,9 | 14,0 | 27,1 | 18,2 | |
| 4/3 | 11,9 | 21,7 | 17,6 | 7,8 | 21,8 | 12,0 | 26,0 | 16,2 | |||
| 4/4 | 12,9 | 23,6 | 20,7 | 10,1 | 24,9 | 14,3 | 29,2 | 16,8 | |||
| 8 | 4/0 | 21,1 | 38,4 | 38,9 | 21,6 | 53,9 | 36,6 | 61,4 | 44,1 | 68,9 | 51,6 |
| 4/2 | 23,8 | 43,2 | 33,6 | 12,0 | 48,6 | 27,0 | 56,1 | 34,5 | 63,6 | 42,0 | |
| 4/3 | 29,0 | 52,8 | 46,0 | 22,2 | 53,5 | 29,7 | 61,0 | 37,2 | |||
| 4/4 | 31,7 | 57,6 | 50,8 | 24,9 | 58,3 | 32,4 | 66,1 | 36,7 | |||
| 12 | 4/0 | 28,8 | 52,4 | 52,9 | 29,3 | 73,3 | 49,7 | 83,5 | 59,9 | 93,7 | 70,1 |
| 4/2 | 36,0 | 65,5 | 54,7 | 16,2 | 66,1 | 36,6 | 76,3 | 46,8 | 86,5 | 57,0 | |
| 4/3 | 39,6 | 72,1 | 62,5 | 30,0 | 72,7 | 40,3 | 82,9 | 50,5 | |||
| 4/4 | 43,2 | 78,6 | 69,1 | 33,7 | 79,3 | 43,9 | 88,4 | 48,7 | |||
| 20 | 4/0 | 47,7 | 86,8 | 86,9 | 47,8 | 120,6 | 81,5 | 137,4 | 98,3 | 154,2 | 115,1 |
| 4/2 | 53,7 | 108,5 | 75,0 | 26,1 | 108,6 | 59,8 | 125,4 | 76,6 | 142,3 | 93,4 | |
| 4/3 | 65,5 | 119,4 | 102,6 | 48,9 | 119,5 | 65,8 | 136,3 | 82,6 | |||
| 4/4 | 71,6 | 130,2 | 113,5 | 54,9 | 130,3 | 71,7 | |||||
| 35 | 4/0 | 88,4 | 160,8 | 161,0 | 88,7 | 223,4 | 151,0 | 254,6 | 182,2 | 285,7 | 213,4 |
| 4/2 | 110,5 | 201,0 | 138,9 | 48,5 | 201,3 | 110,8 | 232,5 | 142,0 | 263,6 | 173,2 | |
| 4/3 | 121,6 | 221,1 | 190,2 | 90,7 | 221,4 | 121,9 | 252,6 | 153,1 | |||
| 4/4 | 132,6 | 241,2 | 210,4 | 101,8 | 241,5 | 133,0 | |||||
| 55 | 4/0 | 141,0 | 256,4 | 256,8 | 141,4 | 356,3 | 240,9 | 406,0 | 290,6 | 455,7 | 340,3 |
| 4/2 | 176,3 | 320,5 | 221,5 | 77,3 | 321,0 | 176,8 | 370,7 | 226,5 | 420,5 | 279,2 | |
| 4/3 | 193,9 | 352,6 | 303,4 | 144,7 | 353,1 | 194,5 | 402,8 | 244,2 | |||
| 4/4 | 211,5 | 384,6 | 335,5 | 162,4 | 385,2 | 212,1 | |||||
| 70 | 4/0 | 195,0 | 354,0 | 355,0 | 196,0 | 493,0 | 333,0 | 561,0 | 402,0 | 630,0 | 471,0 |
| 4/2 | 243,0 | 443,0 | 306,0 | 107,0 | 444,0 | 245,0 | 513,0 | 314,0 | 581,0 | 382,0 | |
| 4/3 | 268,0 | 487,0 | 420,0 | 201,0 | 488,0 | 269,0 | 557,0 | 338,0 | |||
| 4/4 | 292,0 | 531,0 | 464,0 | 225,0 | 533,0 | 294,0 | |||||
| 100 | 4/0 | 265,0 | 482,0 | 483,0 | 266,0 | 670,0 | 453,0 | 764,0 | 547,0 | 857,0 | 640,0 |
| 4/2 | 331,0 | 603,0 | 417,0 | 146,0 | 604,0 | 333,0 | 697,0 | 426,0 | 791,0 | 520,0 | |
| 4/3 | 365,0 | 663,0 | 571,0 | 272,0 | 664,0 | 366,0 | 758,0 | 459,0 | |||
| 4/4 | 398,0 | 723,0 | 631,0 | 306,0 | 725,0 | 399,0 | |||||
| 150 | 4/0 | 391,0 | 711,0 | 712,0 | 392,0 | 988,0 | 668,0 | 1126,0 | 806,0 | 1264,0 | 944,0 |
| 4/2 | 489,0 | 889,0 | 615,0 | 215,0 | 890,0 | 491,0 | 1028,0 | 629,0 | 1166,0 | 766,0 | |
| 4/3 | 538,0 | 977,0 | 842,0 | 402,0 | 979,0 | 540,0 | 1117,0 | 678,0 | |||
| 4/4 | 586,0 | 1066,0 | 931,0 | 451,0 | 1069,0 | 589,0 | |||||
| 250 | 6 | 606,0 | 936,0 | 1159,0 | 829,0 | 1600,0 | 1270,0 | 1821,0 | 1491,0 | 2042,0 | 1712,0 |
| 8 | 808,0 | 1248,0 | 957,0 | 517,0 | 1398,0 | 958,0 | 1619,0 | 1179,0 | 1840,0 | 1400,0 | |
| 10 | 1010,0 | 1560,0 | 1196,0 | 646,0 | 1417,0 | 867,0 | 1638,0 | 1088,0 | |||
| 12 | 1212,0 | 1872,0 | 1215,0 | 555,0 | 1436,0 | 776,0 | |||||
| 400 | 10 | 1180,0 | 1820,0 | 2022,0 | 1382,0 | 2823,0 | 2183,0 | 3223,0 | 2583,0 | 3623,0 | 2983,0 |
| 12 | 1416,0 | 2184,0 | 1786,0 | 1018,0 | 2587,0 | 1819,0 | 2987,0 | 2219,0 | 3387,0 | 2619,0 | |
| 15 | 1770,0 | 2730,0 | 2233,0 | 1273,0 | 2633,0 | 1673,0 | 3033,0 | 2073,0 | |||
| 16 | 1888,0 | 2912,0 | 2515,0 | 1491,0 | 2915,0 | 1891,0 | |||||
| Label | Tongs N° | Air supply (bar) | |||||||||
|---|---|---|---|---|---|---|---|---|---|---|---|
| Spring torque | 4 | 5 | 5,5 | 6 | |||||||
| 0° | 90° | 0° | 90° | 0° | 90° | 0° | 90° | 0° | 90° | ||
| 3 | 8 | 47 | 93 | 97 | 51 | 121 | 75 | 145 | 99 | 169 | 123 |
| 10 | 59 | 116 | 84 | 28 | 108 | 52 | 132 | 76 | 156 | 100 | |
| 11 | 65 | 128 | 103 | 40 | 127 | 64 | 151 | 88 | |||
| 12 | 71 | 139 | 121 | 53 | 145 | 77 | |||||
| 5 | 8 | 106 | 193 | 202 | 115 | 253 | 167 | 304 | 218 | 356 | 269 |
| 10 | 133 | 241 | 175 | 68 | 227 | 119 | 278 | 170 | 329 | 222 | |
| 11 | 146 | 265 | 213 | 95 | 265 | 146 | 316 | 198 | |||
| 12 | 159 | 289 | 200 | 70 | 252 | 122 | 303 | 173 | |||
| 10 | 8 | 236 | 362 | 379 | 254 | 482 | 356 | 584 | 459 | 687 | 562 |
| 33,4 | 21,2 | 34,2 | 24,6 | 51,1 | 33,3 | 59,6 | 41,8 | 68,0 | 50,2 | ||
| 11 | 325 | 498 | 393 | 220 | 496 | 323 | 599 | 426 | |||
| 12 | 355 | 544 | 467 | 278 | 570 | 381 | |||||
| 2 | 4/0 | 42 | 78 | 82 | 47 | 103 | 67 | 124 | 88 | 144 | 109 |
| 4/2 | 54 | 97 | 71 | 27 | 92 | 48 | 113 | 69 | 134 | 90 | |
| 4/3 | 59 | 107 | 86 | 38 | 107 | 59 | 128 | 80 | |||
| 4/4 | 65 | 117 | 101 | 49 | 122 | 70 | 144 | 88 | |||
| 4 | 4/0 | 87 | 158 | 166 | 95 | 208 | 137 | 250 | 179 | 292 | 221 |
| 4/2 | 108 | 196 | 144 | 56 | 186 | 98 | 229 | 140 | 271 | 182 | |
| 4/3 | 119 | 217 | 176 | 78 | 218 | 120 | 260 | 162 | |||
| 4/4 | 129 | 236 | 207 | 101 | 249 | 143 | 292 | 168 | |||
| 8 | 4/0 | 187 | 340 | 360 | 207 | 451 | 298 | 542 | 389 | 633 | 480 |
| 4/2 | 211 | 382 | 319 | 133 | 407 | 219 | 495 | 304 | 583 | 390 | |
| 4/3 | 257 | 467 | 381 | 171 | 472 | 262 | 563 | 353 | |||
| 4/4 | 281 | 510 | 448 | 220 | 539 | 311 | 599 | 384 | |||
| 12 | 4/0 | 255 | 464 | 489 | 281 | 613 | 405 | 737 | 529 | 861 | 653 |
| 4/2 | 319 | 580 | 425 | 165 | 549 | 289 | 673 | 413 | 797 | 537 | |
| 4/3 | 350 | 638 | 518 | 231 | 642 | 356 | 766 | 480 | |||
| 4/4 | 382 | 696 | 610 | 297 | 734 | 422 | 794 | 523 | |||
| 20 | 4/0 | 422 | 768 | 804 | 459 | 1008 | 663 | 1213 | 867 | 1417 | 1072 |
| 4/2 | 475 | 960 | 711 | 267 | 909 | 471 | 1107 | 676 | 1304 | 880 | |
| 4/3 | 580 | 1057 | 850 | 376 | 1055 | 581 | 1259 | 785 | |||
| 4/4 | 634 | 1152 | 1002 | 484 | 1206 | 689 | 1452 | 864 | |||
| 35 | 4/0 | 782 | 1423 | 1489 | 850 | 1868 | 1229 | 2247 | 1608 | 2625 | 1987 |
| 4/2 | 978 | 1779 | 1294 | 495 | 1673 | 874 | 2052 | 1253 | 2430 | 1632 | |
| 4/3 | 1076 | 1957 | 1575 | 697 | 1954 | 1076 | 2333 | 1455 | |||
| 4/4 | 1174 | 2135 | 1857 | 898 | 2235 | 1277 | 2718 | 1506 | |||
| 55 | 4/0 | 1248 | 2269 | 2375 | 1356 | 2979 | 1960 | 3583 | 2564 | 4187 | 3169 |
| 4/2 | 1560 | 2836 | 2063 | 790 | 2667 | 1394 | 3271 | 1999 | 3875 | 2603 | |
| 4/3 | 1716 | 3121 | 2512 | 1112 | 3116 | 1716 | 3720 | 2321 | |||
| 4/4 | 1872 | 3404 | 2961 | 1433 | 3565 | 2038 | 4346 | 2390 | |||
| 70 | 4/0 | 1726 | 3133 | 3282 | 1877 | 4116 | 2712 | 4951 | 3548 | 5785 | 4383 |
| 4/2 | 2151 | 3921 | 2858 | 1098 | 3692 | 1935 | 4527 | 2771 | 5362 | 3607 | |
| 4/3 | 2372 | 4310 | 3472 | 1538 | 4306 | 2374 | 5141 | 3209 | |||
| 4/4 | 2584 | 4699 | 4095 | 1986 | 4929 | 2821 | 6030 | 3490 | |||
| 100 | 4/0 | 2345 | 4266 | 4470 | 2554 | 5606 | 3690 | 6742 | 4827 | 7878 | 5964 |
| 4/2 | 2929 | 5337 | 3881 | 1485 | 5016 | 2622 | 6151 | 3759 | 7286 | 4896 | |
| 4/3 | 3230 | 5868 | 4723 | 2093 | 5860 | 3230 | 6996 | 4367 | |||
| 4/4 | 3522 | 6399 | 5568 | 2700 | 6705 | 3838 | 7940 | 4750 | |||
| 150 | 4/0 | 3460 | 6292 | 6587 | 3761 | 8262 | 5437 | 9937 | 7113 | 11611 | 8788 |
| 4/2 | 4328 | 7868 | 5722 | 2196 | 7397 | 3873 | 9072 | 5551 | 10747 | 7228 | |
| 4/3 | 4761 | 8646 | 6964 | 3089 | 8639 | 4765 | 10314 | 6442 | |||
| 4/4 | 5186 | 9434 | 8216 | 3980 | 9891 | 5657 | 12040 | 7670 | |||
| 250 | 6 | 5363 | 8284 | 10711 | 7797 | 13391 | 10477 | 16070 | 13158 | 18749 | 15838 |
| 8 | 7151 | 11045 | 8928 | 5042 | 11607 | 7723 | 14287 | 10404 | 16967 | 13085 | |
| 10 | 8939 | 13806 | 9824 | 4969 | 12505 | 7651 | 15185 | 10333 | |||
| 12 | 10726 | 16567 | 10722 | 4898 | 13403 | 7581 | 16021 | 9065 | |||
| 400 | 10 | 10443 | 16107 | 18721 | 13069 | 23581 | 17931 | 28442 | 22794 | 33302 | 27657 |
| 12 | 12532 | 19328 | 16636 | 9854 | 21498 | 14718 | 26359 | 19582 | 31221 | 24446 | |
| 15 | 15665 | 24161 | 18373 | 9898 | 23235 | 14764 | 28098 | 19629 | |||
| 16 | 16709 | 25771 | 22194 | 13158 | 27057 | 18024 | 33302 | 19024 | |||
| Size | Air supply (bar) | ||||||
|---|---|---|---|---|---|---|---|
| 2 | 3 | 4 | 5 | 5,5 | 6 | 7 | |
| 1 | 2,9 | 4,4 | 5,9 | 7,3 | 8,1 | 8,8 | 10,3 |
| 2 | 6,8 | 10,3 | 13,7 | 17,1 | 18,8 | 20,5 | 23,9 |
| 3 | 7,9 | 11,9 | 15,8 | 19,8 | 21,7 | 23,7 | 27,7 |
| 4 | 13,9 | 20,8 | 27,7 | 34,7 | 38,1 | 41,6 | 48,5 |
| 5 | 16,9 | 25,4 | 33,8 | 42,3 | 46,5 | 50,7 | 59,2 |
| 8 | 30,0 | 45,0 | 60,0 | 75,0 | 82,5 | 90,0 | 105,0 |
| 10 | 33,8 | 50,7 | 67,6 | 84,5 | 93,0 | 101,4 | 118,3 |
| 12 | 40,8 | 61,3 | 81,7 | 102,1 | 112,3 | 122,5 | 142,9 |
| 20 | 67,3 | 101,0 | 134,6 | 168,3 | 185,1 | 201,9 | 235,6 |
| 35 | 124,7 | 187,0 | 249,3 | 311,7 | 342,8 | 374,0 | 436,3 |
| 55 | 199,0 | 298,5 | 398,0 | 497,5 | 547,3 | 597,0 | 696,5 |
| 70 | 275,0 | 412,5 | 550,0 | 687,5 | 756,3 | 825,0 | 962,5 |
| 100 | 374,0 | 561,0 | 748,0 | 935,0 | 1028,5 | 1122,0 | 1309,0 |
| 150 | 551,7 | 827,5 | 1103,3 | 1379,2 | 1517,1 | 1655,0 | 1930,8 |
| 250 | 882,7 | 1324,0 | 1765,3 | 2206,7 | 2427,3 | 2648,0 | 3089,3 |
| 400 | 1601,0 | 2401,5 | 3202,0 | 4002,5 | 4402,8 | 4803,0 | 5603,5 |
| Size | Air supply (psi) | ||||||
|---|---|---|---|---|---|---|---|
| 40 | 50 | 60 | 70 | 80 | 90 | 100 | |
| 1 | 32,6 | 40,7 | 48,8 | 57,0 | 65,1 | 73,2 | 81,4 |
| 2 | 83,0 | 103,8 | 124,5 | 145,3 | 166,0 | 186,8 | 207,5 |
| 3 | 96,0 | 120,0 | 144,0 | 168,0 | 192,0 | 216,0 | 240,0 |
| 4 | 168,5 | 210,6 | 252,8 | 294,9 | 337,0 | 379,1 | 421,3 |
| 5 | 206,0 | 257,5 | 309,0 | 360,5 | 412,0 | 463,5 | 515,0 |
| 8 | 365,0 | 456,3 | 547,5 | 638,8 | 730,0 | 821,3 | 912,5 |
| 10 | 413,5 | 516,9 | 620,3 | 723,6 | 827,0 | 930,4 | 1033,8 |
| 12 | 497,0 | 621,3 | 745,5 | 869,8 | 994,0 | 1118,3 | 1242,5 |
| 20 | 819,0 | 1023,8 | 1228,5 | 1433,3 | 1638,0 | 1842,8 | 2047,5 |
| 35 | 1527,5 | 1909,4 | 2291,3 | 2673,1 | 3055,0 | 3436,9 | 3818,8 |
| 55 | 2371,0 | 2963,8 | 3556,5 | 4149,3 | 4742,0 | 5334,8 | 5927,5 |
| 70 | 3344,5 | 4180,6 | 5016,8 | 5852,9 | 6689,0 | 7525,1 | 8361,3 |
| 100 | 4552,5 | 5690,6 | 6828,8 | 7966,9 | 9105,0 | 10243,1 | 11381,3 |
| 150 | 6712,5 | 8390,6 | 10068,8 | 11746,9 | 13425,0 | 15103,1 | 16781,3 |
| 250 | 10740,0 | 13425,0 | 16110,0 | 18795,0 | 21480,0 | 24165,0 | 26850,0 |
| 400 | 19485,5 | 24356,9 | 29228,3 | 34099,6 | 38971,0 | 43842,4 | 48713,8 |
| Label | Type | Size | Finish | Action | Tree | Threading | Optional code |
|---|---|---|---|---|---|---|---|
| T | Trutorq C‑Type | 002 C‑Type | A Standard 0 | DA C & E‑Type 002 | X=09 mm C‑Type | M Metric | VS Viton Seal |
| E | E‑Type | 004 CNI | 1 SR 4/4 004 | X=11 mm | U Imperial | XM Crossmount | |
| S | S‑Type | 008 Epoxy | 2 SR 4/3 008 | X=14 mm | FO Fail Open | ||
| X | 180° C‑Type | 012 Polyester | 3 SR 4/2 012 | X=17 mm | FA Fast Acting | ||
| 020 | 4 | 4 SR 4/1 020 | X=17 mm | HT High Temperature | |||
| 035 | 5 | 5 SR 4/0 035 | X=22 mm | LT Low Temperature | |||
| 055 | 0 DA C‑Type 250 | 055 | X=27 mm | ||||
| 070 | 1 | 1 SR 12 070 | X=27 mm | ||||
| 100 | 3 | 3 SR 10 100 | X=36 mm | ||||
| 150 | 5 | 5 SR 8 150 | X=36 mm | ||||
| 250 | 7 | 7 SR 6 250 | X=46 mm | ||||
| 400 | 0 DA C‑Type 400 | 400 | X=55 mm |